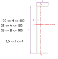
Hafif Çelik Yapı Profilleri
GES projeleri ve endüstriyel yapılar için yüksek mukavemetli, galvanizli ve projeye özel ebatlarda üretilen yapısal profiller.
Sigma Profil
GES & Konstrüksiyon
Yüksek atalet momenti sayesinde geniş açıklıklarda aşık ve kuşak olarak kullanılır. Eksiz ve cıvatalı montaj imkanı sağlar.
| Yükseklik (H) | Başlık (B) | Tırnak (C) | Kalınlık (t) |
|---|---|---|---|
| 100 – 400 mm | 40 – 100 mm | 15 – 25 mm | 1.00 – 4.00 mm |
3D Delik Delme
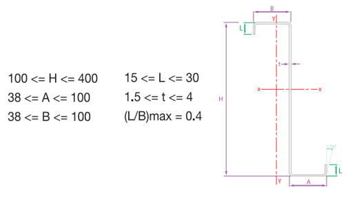
C Profil
Yapısal Standart
Çatı makasları, kirişler ve cephe sistemlerinde en yaygın kullanılan taşıyıcı profildir. İç içe geçebilme özelliği ile nakliye avantajı sağlar.
| Yükseklik (H) | Başlık (B) | Tırnak (C) | Kalınlık (t) |
|---|---|---|---|
| 80 – 400 mm | 30 – 100 mm | 15 – 25 mm | 1.00 – 4.00 mm |
Boy Kesme
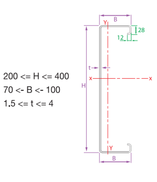
C+ (Plus) Profil
Ekstra Mukavemet
Standart C profile eklenen ekstra bükümlerle (tırnak yapısı) mukavemeti artırılmış, ağır yük taşıyan zemin ve çatılar için idealdir.
| Yükseklik (H) | Başlık (B) | Tırnak (C) | Kalınlık (t) |
|---|---|---|---|
| 100 – 350 mm | 50 – 100 mm | 20 – 30 mm | 1.20 – 4.00 mm |
Z Profil
Aşık Sistemi
Çatı sistemlerinde aşık olarak kullanılır. Farklı boyutlardaki başlık yapıları sayesinde üst üste bindirme (overlap) yapılarak sürekli kiriş gibi çalışır.
| Yükseklik (H) | Başlık (B1/B2) | Tırnak (C) | Kalınlık (t) |
|---|---|---|---|
| 100 – 300 mm | 40 – 75 mm | 15 – 25 mm | 1.00 – 3.00 mm |
U Profil
Çerçeve & Ray
Hafif çelik yapıların alt ve üst raylarında (track), kapı/pencere karkaslarında ve C profillerin bitiş noktalarında kapama elemanı olarak kullanılır.
| Yükseklik (H) | Başlık (B) | Kalınlık (t) |
|---|---|---|
| 50 – 300 mm | 40 – 80 mm | 1.00 – 4.00 mm |
Özel Ölçü ve Proje Bazlı Üretim
Tüm profillerimiz, projenizin statik gereksinimlerine göre istenilen boyda, üzerinde montaj delikleri (slot/zıvana) açılmış ve markalanmış olarak teslim edilir.
